相关配件
基于Arduino 互动电子套件 23节经典实验 UNO... 本店售价:¥380.00
爱上Arduino 互动入门套件 中文教材配套 教学视频... 本店售价:¥198.00
AS-6DOF 铝合金机械臂 6自由度 机械手 Ardu... 本店售价:¥1049.00
基于Arduino 互动电子积木套件 arduino U... 本店售价:¥480.00
32路舵机控制器套装 伺服电机控制器 Arduino舵机... 本店售价:¥230.00
RP5履带车 支撑板 Arduino控制器 驱动器 安装... 本店售价:¥49.80
AS-4WD移动机器人支撑板Arduino控制器安装板 ... 本店售价:¥25.00
最近看过
通知:
2013年哈尔滨奥松机器人科技有限公司正式成为意大利电子开源硬件巨头公司Arduino中国区域代理商。
注意:Arduino Intel Galileo开发板2代 2015新版已经到货,新品秒杀价498元,现限量出售,数量有限,伙伴们快来抢购吧!
产品介绍:
哈尔滨奥松机器人新产品推荐 Intel Galileo 2代。英特尔伽利略2开发板,是英特尔经过Arduino认证的开发板,专门为创客、学生、教育工作者和DIY电子爱好者而生。基于Intel Quark SoC X1000,一块32位奔腾处理器级系统芯片,真正的英特尔处理器和本地化的I/O功能,伽利略开发板传递性能强大,有广泛的硬件外围设备和软件支持。这块开发板提供了一种比以前更简单和高效的开发环境。
产品图片:
Arduino Intel Galileo 2 伽利略开发板2代
制作精致 品质上乘
支持Linux系统,32位的Quark芯片,质量上乘
从开发板实物的直接对比上,我们可以看到Galileo Gen2的左侧布置了不少小芯片,似乎比前一代复杂了不少。
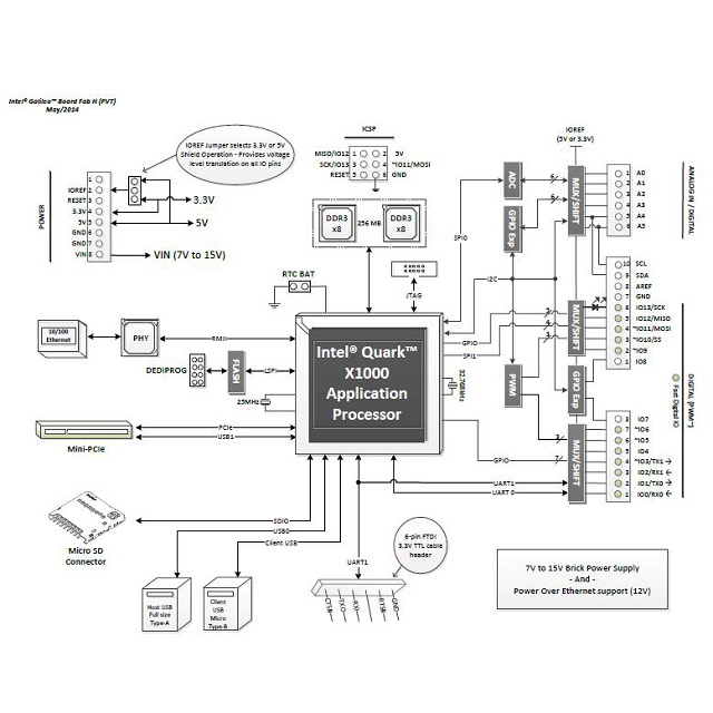
Intel Galileo Gen2硬件框图
Galileo Gen2和上一代版本接口部分的对比
Galileo Gen2上主要芯片的作用和分布
官方授权 正品保证
拥有14个数位I/O针脚 兼容扩充板
与SPI LED数码管完美结合
外观展示 海蓝精致包装
产品参数:
产品特点:
1.英特尔® Quark™ SoC X1000 应用处理器是一款 32 位、单核、单线程、与英特尔® 奔腾处理器指令集架构 (ISA) 兼容的处理器,运行时可实现 400 MHz 的工作速度。
2.支持各种业界标准 I/O 接口,包括全尺寸 mini-PCI Express* 插槽、100 Mb 以太网端口、microSD* 插槽、USB 主机端口和 USB 客户端端口。
3.256 MB DDR3、512 kb 嵌入式 SRAM、8 MB NOR 闪存和板载 8 kb EEPROM 标准,还支持高达 32 GB microSD 卡。
4.硬件和引脚与各种 Arduino Uno R3 盾牌兼容。
5.可通过 Arduino 集成开发环境 (IDE) 进行编程,支持 Microsoft Windows*、Mac OS* 和 Linux* 主机操作系统。
6.支持 Yocto 1.4 Poky* Linux* 版本。
7.6 针 3.3V USB TTL UART 头取代 3.5 毫米插口 RS-232 控制台端口进行 Linux 调试。新款 6 针连接器与标准 FTDI* USB 串口电缆 (TTL-232R-3V3) 和通用 USB 转串口分接主板耦合。12 GPIO 现已完全原生,速度更快、性能更强。
8.12 位脉宽调制 (PWM) 可更精确控制伺服系统,响应更顺畅。
9.在设计简图中可以将控制台 UART1 重新指向 Arduino 头,避免在很多情况下需要软串口。
10.支持 12V 以太网供电 (PoE)(要求安装 PoE 模块)。
11.功率调节系统改为接受 7V 至 15V 供电。
12.适用于英特尔® Galileo 第二代主板的英特尔® IoT 开发人员套件增加了 C、C++、Python 和 Node.js/Javascript 支持,可开发互连传感器物联网应用程序。
13.英特尔 Galileo 还支持 Wyliodrin* 平台;该平台通过远程连接的浏览器提供 C、Python、Node.js 和可视编程环境。
14.除了开源 Yocto Linux,英特尔 Galileo 第二代主板还支持 VxWorks* (RTOS),并且微软现已直接支持 Microsoft Windows*。
相关资料:
Intel Galileo 二代产品评估:http://www.tuicool.com/articles/YN3qyya
有问有答
1.Arduino驱动安装失败? 解决的方法:http://www.makerspace.cn/thread-337-1-1.html
2.Arduino系列引线图大全:http://www.makerspace.cn/thread-3842-1-1.html
3.Arduino创始人 板子叔亲自教你Arduino:http://www.makerspace.cn/thread-3843-1-1.html
4.采用现成零件 在家自制Arduino手机:http://www.makerspace.cn/forum.php?mod=viewthread&tid=3858
5.利用Xbee模块实现两个UNO控制器的通信:http://www.makerspace.cn/forum.php?mod=viewthread&tid=5284
前沿科技
1.玩转Arduino-编译环境软件:http://www.alsrobot.cn/article-430.html
2.Arduino IDE错误提示问题原因汇总:http://www.alsrobot.cn/article-231.html
3.Arduino+Processing 制作极客风格绘图机:http://www.alsrobot.cn/article-779.html
4.Arduino兼容的3D手势控制器:http://www.alsrobot.cn/article-472.html
5.玩转Arduino-闪烁的LED:http://www.alsrobot.cn/article-428.html
教学视频
1.RPLIDAR 激光雷达与Arduino连接的互动应用:http://v.youku.com/v_show/id_XOTM5NDQyNTEy.html?from=y1.7-2
2.运用Arduino水流传感器搭建流量测量系统:http://v.youku.com/v_show/id_XMzc2MDY0MzA0.html?from=y1.7-2
3.Arduino-4WD轮式机器人手势识别操控功能演示:http://v.youku.com/v_show/id_XMzUyMTc4MDAw.html?from=y1.7-2
4. 运用Arduino三轴加速度计实现云台姿态控制:http://v.youku.com/v_show/id_XMjAwNDEzMjQw.html?from=y1.7-2
5.Arduino驱动控制1602液晶屏:http://v.youku.com/v_show/id_XMTc3ODY3Mzg0.html?from=y1.7-2
技术博客:
1.借助Arduino做一个RFID门禁系统:http://blog.sina.com.cn/arduino
2.Arduino 控制舵机:http://blog.sina.com.cn/s/blog_5e4725590100d3sf.html
3.Arduino控制直流电机:http://blog.sina.com.cn/s/blog_5e4725590100d2oq.html
4.Arduino PWM:http://blog.sina.com.cn/s/blog_5e4725590100d1d7.html
5.Arduino与32路舵机控制器通信实例:http://blog.sina.com.cn/s/blog_5e4725590100e490.html
6.Arduino通过Mini红外传感器测电机转速:http://blog.sina.com.cn/s/blog_5e4725590100duvm.html
百度百科
2.哈尔滨奥松机器人科技有限公司(点击名称)
3.“机器人爸爸”于欣龙(点击名称)
维基百科
2.Arduino驱动的安装(点击名称)
3.Arduino编程参考手册(点击名称)
4.Arduino编程参考手册(点击名称)
5.Arduino编程核心代码(点击名称)
6.Arduino 入门资源汇总(点击名称)
【为了给亲们提供更方便快捷的技术服务与支持,奥松机器人特开设技术社区为大家答疑解惑,即有专门的技术人员为您回帖,更有众多的电子爱好者可以一起交流学习心得!www.makerspace.cn】
用户评价
- 咨询内容:
- 这款产品有现货吗?我要5个。
- 管理员:
-
您好,感谢您对我们的支持,我们会继续努力上架更多更好的产品,请您及时关注我们的平台。这款产品是官方原装进口的,所以库存要即时查询,您有需要可以联系我们的在线客服,我们的工作时间为8:30-17:30.如果您有更多问题,请关注我们官方论坛:www.makerspace.cn,会有更多详细的解答和更多学习的机会。


